- Get link
- X
- Other Apps

Problems Starting My 1985 Monte Carlo Ss Monte Carlo Forum

Repair Guides

1985 Monte Carlo Ss Fuse Box Cars Chat 86 Monte Carlo Ss


Fuse Box 87 Monte Wiring Diagram Blog

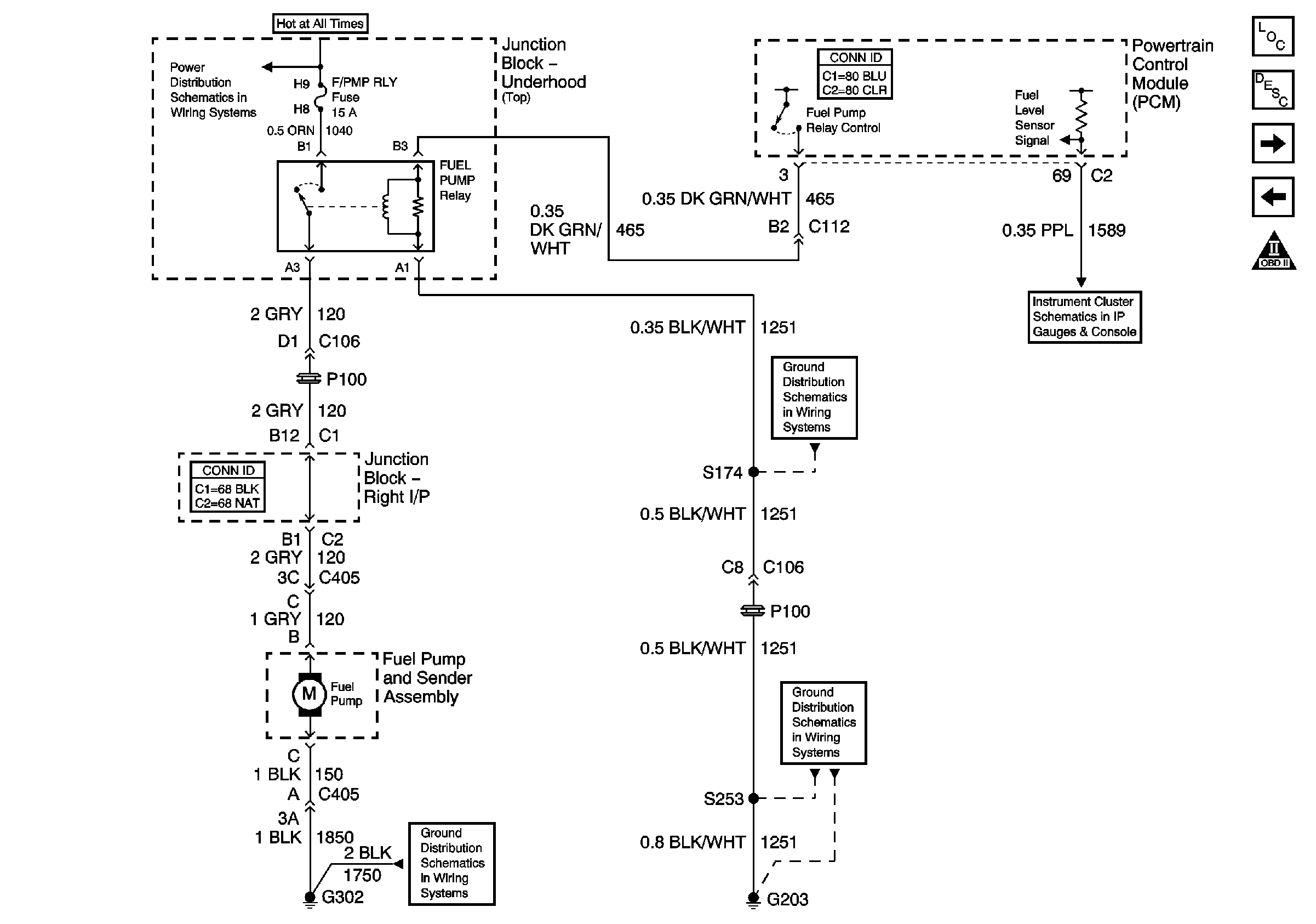
514c262 2004 Monte Carlo Ss Engine Wiring Diagram Wiring

1984 El Camino Electric Diagram Wiring Schematic 1985 El

1985 Monte Carlo Wiring Diagram Wiring Diagram

1985 Monte Carlo Wiring Diagram Wiring Diagram

88 Monte Carlo Ss Wire Harness Wiring Diagram
- Get link
- X
- Other Apps
Comments
Post a Comment